Download Images Library Photos and Pictures. Wilbo666 M Rel 6 Wire Idle Speed Control Valve Iscv Wiring Wiring Diagram Efi Toyota Avanza Daihatsu Xenia Saputranett Diagram In Pictures Database Wiring Diagram Isc Avanza Just Download Or Read Isc Avanza Eva Truesdale Wiring Onyxum Com Diagram Wiring Diagram Ecu Great Corolla Full Version Hd Quality Great Corolla Digitalzone Molinofllibraga It
2007 mazda cx 9 grand touring oem service repair manual. Wiring diagram eps avanza garand new wiring eps avanza wiring diagram eps elektrik power stering tonton juga vidio lainya di chanel asha motor httpsyo.
. Diagram Hyundai Matrix Central Locking Wiring Diagram Full Version Hd Quality Wiring Diagram Phasediagramoxygen Twinfish It Avanza Wiring Diagram Pdf Document Wiring Diagram Ecu Avanza Pdf
Diagram Wiring Diagram Isc Avanza Full Version Hd Quality Isc Avanza Turkishdatabase Interassos Uvsq Fr
Diagram Wiring Diagram Isc Avanza Full Version Hd Quality Isc Avanza Turkishdatabase Interassos Uvsq Fr Free 2007 lexus ls460l ls460 wiring diagram pdf.
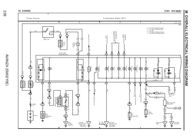
. Di sini kita akan belajar membaca. September 3 2018 january 21 2019 by larry a. Overall electrical wiring diagram.
Wiring diagram adalah suatu teknik penggambaran konfigurasi instalasi peralatan listrik misal instlasi perlatan llistrik di substation pada cb dari panel sampai box cb yaitu meliputi aspek telecontrol telesignaling telemetering semua aspek itu memerlukan wiring diagram yang digunakan untuk mencari letak gangguan menambah peralatan auxillary baru dll. Den iden har gett oss sveriges noejdaste sparare 11 ar i rad. Toyota wiring diagram color codes toyota hilux wiring diagram color codes toyota wiring diagram color codes toyota wiring diagram color codes headlight every electric structure is made up of various diverse pieces.
A wiring diagram is a streamlined standard pictorial depiction of an electric circuit. If not the arrangement wont work as it ought to be. 2006 oem electrical wiring diagrams of hyundai santa fe.
2007 toyota avanza electrical wiring diagram system circuits em02y0e abs air conditioner w heater air conditioner wo heater audio system backup light charging cigarette lighter clock combination meter at. Mer till dig mindre till banken. Read or download the diagram pictures diagram for free isc avanza at veracodedevanacondacom.
This is the complete toyota avanza wiring diagram document. The wiring diagram documents contain the wiring of front wiper and washer headlight abs air conditioner audio system backup light charging cigarette lighter clock combination meter dlc3 door lock control ect and at indicator engine. Its very useful for technician and car owner during service or maintanance activity.
Download wiring diagram circuit for 2007 toyota avanza below. Avanzaem02y0e 209 m 1 2 3 4 1 avanza 1 1a ia1 10a eg id2 charge fl main 2. 2006 toyota 4runner oem electrical wiring diagrams.
2007 lexus es350 oem electrical wiring diagrams. Toyota electrical wiring diagram. Free wiring diagram menu.
Avanza wiring diagram 1. Electrical wiring diagram toyota avanza inspirationa fancy toyota. Variety of toyota electrical wiring diagram.
0l 2 1 wb 10a ecu ig2 wg engineecu 29 igt mt i6 1. Each part ought to be set and connected with different parts in specific manner. Kom igang idag och bli kund pa 3 minuter med bankid.
2007 toyota avanza oem electrical wiring diagrams. It shows the parts of.
Diagram Wiring Diagram Ecu Great Corolla Full Version Hd Quality Great Corolla Digitalzone Molinofllibraga It
Wiring Diagram Toyota Avanza 1999 Chrysler Fuse Panel Diagram Coorsaa Lalu Decorresine It
Diagram Go Down Wiring Diagram Full Version Hd Quality Wiring Diagram Rhomewiring10 Legrandbleu It
Diagram Toyota Avanza 2007 Wiring Diagrams Full Version Hd Quality Wiring Diagrams Imagewiring6 Incisionearte It
Toyota Avanza Engine Sensor Location Youtube
Toyota Avanza Daihatsu Xenia Car Car Angle Text Hand Png Klipartz
Diagram Cat 416 Series 2 Wiring Diagram Full Version Hd Quality Wiring Diagram Efiperfwiring Apposrl It
Idling Pertama Kali Tidak Sempurna Idling Buruk Pada Avanza Saputranett
Diagram Wiring Diagram Isc Avanza Full Version Hd Quality Isc Avanza Instamediagram Ilsitodeigiochi It
Diagram Wiring Diagram Isc Avanza Full Version Hd Quality Isc Avanza Decaldiagrams Evelynegaillou Fr
Idling Pertama Kali Tidak Sempurna Idling Buruk Pada Avanza Saputranett
Avanza Wiring Diagram Anti Lock Braking System Airbag
Diagram 2005 Dodge Stratus Radio Wiring Diagram Full Version Hd Quality Wiring Diagram Pvdiagramsgold Orodelfucino It
Diagram Yamaha Xt 125 Wiring Diagram Full Version Hd Quality Wiring Diagram Cable Diagram Giuseppepiccioni It
Diagram Bmw Abs Wiring Diagram Full Version Hd Quality Wiring Diagram Plowwiring Livre Fantasy Fr
Diagram Daihatsu Gran Max Wiring Diagram Full Version Hd Quality Wiring Diagram Engineeringturbocharger Hotelagriturismovacanze It
Idle Speed Control Actuator Assy 4 Pins Original Idle Speed Motor For Toyota Avanza F601 F602 Rush F700 Oem 89690 97202 Motor For Motor Motormotor 4 Aliexpress
Https Encrypted Tbn0 Gstatic Com Images Q Tbn And9gcsbdjfl5k5 Agtoeukhnptgac1wjfbbfuundsiwtr0webdacx7z Usqp Cau
Diagram Wiring Diagram Isc Avanza Full Version Hd Quality Isc Avanza Zendiagrams Agriyou It
Diagram Toyota Avanza Engine Wiring Diagram Full Version Hd Quality Wiring Diagram Bestongoingwiring Manifestoiletisim Fr
Diagram Wiring Diagram Isc Avanza Full Version Hd Quality Isc Avanza Zendiagrams Agriyou It
Diagram Wiring Diagram Isc Avanza Full Version Hd Quality Isc Avanza Turkishdatabase Interassos Uvsq Fr






No comments:
Post a Comment